Features
◇ The body made of aluminum alloy, with strong structure and light weight.
◇ External vacuum generating device (such as vacuum pump, vacuum blower)
◇ Built-in check valve can automatically block free suction port to reduce the loss of vacuum flow.
Applications
◇ PCB
◇ Wooden plate
◇ Carton stacking
◇ Carton destacking
| How to order | ||||
| TXM 120×60 A -V ① ② ③ ④ | ||||
| ① Series | ② Dimension | ③ Adsorbing type | ④ Check valve | |
| TXM | TXM22×38 TXM22×76 TXM120×60 TXM120×300 TXM120×400 TXM120×600 TXM120×800 TXM120×1000 TXM120×1200 | A - Sealing gasket(Sponge) type B - Suction cup type (Suction cup model-SPC40S) | Nil - Standard, without check valve V - With check valve | |
◇Note: "●"- standard, in stock. "○"-selective,no stock. "—"-unavailable.
◇Note: TXM series vacuum gripping system excludes vacuum pump. Vacuum pump should be selected according to actual working condition.
If need, please consult with AIRBEST for pratical application.
| Technical parameters | |||||
| Model | Weigh(kg) | Recommended hose dia.(mm) | |||
| A | A-V | B | B-V | ||
| TXM22×38 | - | - | - | - | 8 |
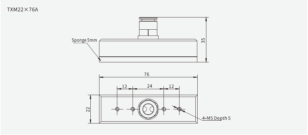
| TXM22×76 | 2.5 | - | - | - | 8 |
| TXM120×60 | 3.2 | 0.4 | - | - | 8 |
| TXM120×300 | 4.7 | 2.6 | 3.4 | 3.5 | 32 |
| TXM120×400 | 6.2 | 3.2 | 4.4 | 4.5 | 32 |
| TXM120×600 | 7.7 | 4.9 | 6.2 | 6.4 | 32 |
| TXM120×800 | 8.9 | 6.4 | 8.2 | 8.4 | 32 |
| TXM120×1000 | 0.045 | 7.9 | 9.5 | 9.7 | 63 |
| TXM120×1200 | 0.068 | 9.1 | 10.3 | 10.6 | 63 |




| Model/Size | A | B | C | D | F | G | N (suction hole number) |
| TXM120×300A-V | 120 | 300 | 260 | Φ25 | 36 | 60 | 70 |
| TXM120×300A | 120 | 300 | 260 | Φ25 | 36 | 60 | 70 |
| TXM120×400A-V | 120 | 400 | 360 | Φ25 | 36 | 60 | 95 |
| TXM120×400A | 120 | 400 | 360 | Φ25 | 36 | 60 | 95 |

| مدل / اندازه | A | B | C | D | F | G | N(suction hole number) |
| TXM120×600A-V | 120 | 600 | 560 | Φ32 | 36 | 60 | 145 |
| TXM120×600A | 120 | 600 | 560 | Φ32 | 36 | 60 | 145 |
| TXM120×800A-V | 120 | 800 | 760 | Φ32 | 36 | 60 | 195 |
| TXM120×800A | 120 | 800 | 760 | Φ32 | 36 | 60 | 195 |

| مدل / اندازه | A | B | C | D | F | G | N(suction hole number) |
| TXM120×300A-V | 120 | 300 | 260 | Φ25 | 36 | 60 | 17 |
| TXM120×300A | 120 | 300 | 260 | Φ25 | 36 | 60 | 17 |
| TXM120×400A-V | 120 | 400 | 360 | Φ25 | 36 | 60 | 23 |
| TXM120×400A | 120 | 400 | 360 | Φ25 | 36 | 60 | 23 |

| مدل / اندازه | A | B | C | D | F | G | N(suction hole number) |
| TXM120×600B-V | 120 | 600 | 550 | Φ33 | 36 | 60 | 35 |
| TXM120×600B | 120 | 600 | 550 | Φ33 | 36 | 60 | 35 |
| TXM120×800B-V | 120 | 800 | 750 | Φ33 | 36 | 60 | 47 |
| TXM120×800B | 120 | 800 | 750 | Φ33 | 36 | 60 | 47 |
◇Note: φ8 means hose diameter. For dimension of TXC120x1000 and TXC120x1200,please consult with AIRBEST.
| Spare parts | |||||||
| Item | Model | Applicable vacuum gripping system | |||||
| Sponge | TXC22×38NF | TXM22×38A | |||||
| TXC22×76NF | TXM22×76A | ||||||
| TXC120×60NF | TXM120×60A | ||||||
| TXC120×300NF | TXM120×300A、TXM120×300A-V | ||||||
| TXC120×400NF | TXM120×400A、TXM120×400A-V | ||||||
| TXC120×600NF | TXM120×600A、TXM120×600A-V | ||||||
| TXC120×800NF | TXM120×800A 、TXM120×800A-V | ||||||